Product Summary
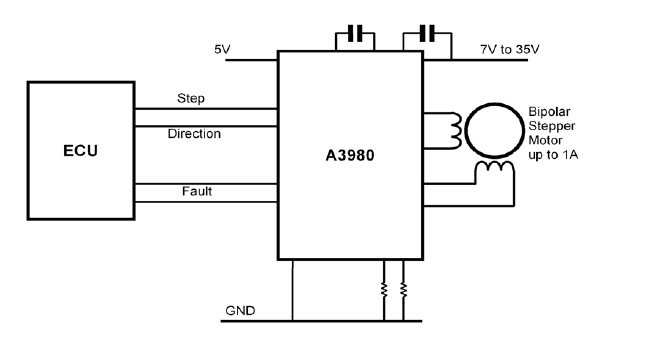
The A3980KLP is a complete microstepping motor driver with built-in translator for easy operation. It is designed to operate bipolar stepper motors in full-, half-, eighth-, and sixteenthstep modes, at up to 35 V and ±1 A. The A3980KLP includes a fixed off-time current regulator which has the ability to operate in slow, fast, or mixed decay modes. This results in reduced audible motor noise, increased step accuracy, and reduced power dissipation. The translator is the key to the easy implementation of the A3980KLP. Simply inputting one pulse on the step input drives the motor one microstep. There are no phase sequence tables, high frequency control lines, or complex interfaces to program. The A3980KLP interface is an ideal fit for applications where a complex μP is unavailable or overburdened.
Parametrics
A3980KLP absolute maximum ratings: (1)Load Supply Voltage VBB: 50 V; (2)Logic Supply Voltage VDD: 7.0 V; (3)Logic Input Voltage VIN: –0.3 to VDD + 0.3 V; (tW < 30 ns): –1.0 to VDD + 1 V; (4)Sense Voltage VSENSE: 0.5 V; (5)Reference Voltage VREF: 0 to VDD V; (6)Operating Ambient Temperature TA Range K: –40 to 125 ℃; (7)Maximum Junction Temperature TJ(max): 150 ℃; (8)Storage Temperature Tstg: –55 to 150 ℃; (9)ESD Rating - Human Body Model AEC-Q100-002, all pins: 2.0 kV; (10)ESD Rating - Charged Device Model AEC-Q100-011, all pins: 1.0 kV.
Features
A3980KLP features: (1)Typical application up to ±1 A, 35 V output rating; (2)Low RDS(ON) outputs, 0.67 Ω source, 0.54 Ω sink typical; (3)Automatic current decay mode detection/selection; (4)3.0 V to 5.5 V logic supply voltage range; (5)Mixed, fast, and slow current decay modes; (6)Synchronous rectification for low power dissipation; (7)Internal OVLO, UVLO, and thermal shutdown circuitry; (8)Crossover current protection; (9)Short to supply/ground and short/low load current diagnostics.
Diagrams

| Image | Part No | Mfg | Description | ![]() |
Pricing (USD) |
Quantity | ||||||||||||||||||
|---|---|---|---|---|---|---|---|---|---|---|---|---|---|---|---|---|---|---|---|---|---|---|---|---|
![]() |
![]() A3980KLP |
![]() |
![]() IC DRIVER MICROSTEPPING 28-TSSOP |
![]() Data Sheet |
![]()
|
|
||||||||||||||||||
![]() |
![]() A3980KLP-T |
![]() |
![]() IC MOTOR DRIVER MICROSTEP 28-TSS |
![]() Data Sheet |
![]()
|
|
||||||||||||||||||
![]() |
![]() A3980KLPTR |
![]() |
![]() IC DRIVER MICROSTEPPING 28-TSSOP |
![]() Data Sheet |
![]() Negotiable |
|
||||||||||||||||||
![]() |
![]() A3980KLPTR-T |
![]() |
![]() IC DRIVER MICROSTEPPING 28-TSSOP |
![]() Data Sheet |
![]()
|
|
||||||||||||||||||
(China (Mainland))









