Product Summary
The LWA673-Q2R2 is a kind of White Hyper-Bright LED. The typical applications of LWA673-Q2R2 include: (1)coupling into light guides; (2)backlighting (LCD, switches, keys, displays); (3)interior automotive lighting (e.g. dashboard backlighting, etc.); (4)substitution of micro incandescent lamps; (5)emergency lighting; (6)signal and symbol luminaire; (7)marker lights (e.g. steps, exit ways, etc.).
Parametrics
LWA673-Q2R2 absolute maximum ratings: (1)Operating temperature range, Top: – 40 to + 100℃; (2)Storage temperature range, Tstg: – 40 to + 100℃; (3)Junction temperature, Tj: + 110℃; (4)Forward current (TA=25℃), IF: 20mA; (5)Surge current, t = 10 μs, D = 0.005, TA=25℃, IFM: 200mA; (6)Reverse voltage (TA=25℃), VR: 5V; (7)Power consumption (TA=25℃), Ptot: 80mW; (8)Thermal resistance: Junction/ ambient, Rth JA: 430K/W; Junction/ solder point, Rth JS: 200K/W.
Features
LWA673-Q2R2 features: (1)package: white SMT package, colored diffused resin; (2)feature of the device: radiation direction parallel to PCB, so an ideal LED for coupling in light guides; (3)color coordinates: x = 0.33, y = 0.33 acc. to CIE 1931 (white); (4)typ. color temperature: 5600 K; (5)color reproduction index: 80; (6)viewing angle: Lambertian Emitter (120°); (7)technology: InGaN; (8)optical efficiency: 6 lm/W; (9)grouping parameter: luminous intensity, color coordinates; (10)assembly methods: suitable for all SMT assembly methods; (11)soldering methods: IR reflow soldering and TTW soldering; (12)preconditioning: acc. to JEDEC Level 2; (13)taping: 12 mm tape with 2000/reel, φ30 mm; (14)ESD-withstand voltage: up to 2 kV acc. to JESD22-A114-B.
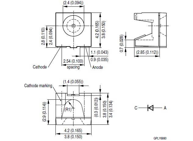
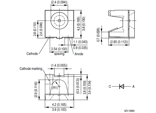
Diagrams

(China (Mainland))






