Product Summary
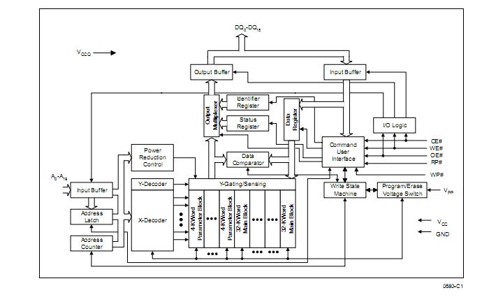
The GT28F320B3TA110 is a 3 Volt Advanced Boot Block flash memory. It is manufactured on Intel’s latest 0.18 um technology, represents a feature-rich solution at overall lower system cost. The 3 Volt Advanced Boot Block flash memory GT28F320B3TA110 will be available in 48-lead TSOP and 48-ball CSP packages. The GT28F320B3TA110 is also designed with an Automatic Power Savings (APS) feature which minimizes system current drain, allowing for very low power designs. This mode is entered following the completion of a read cycle (approximately 300 ns later).
Parametrics
GT28F320B3TA110 absolute maximum ratings: (1)Extended Operating Temperature:–40℃ to +85℃; (2)Storage Temperature:–65℃ to +125℃; (3)Voltage On Any Pin (except VCC, VCCQ and VPP) with Respect to GND:–0.5V to +3.7V; (4)VPP Voltage (for Block Erase and Program) with Respect to GND:-0.5V to +13.5V; (5)VCC and VCCQ Supply Voltage with Respect to GND:–0.2V to +3.7V; (6)Output Short Circuit Current:100 mA.
Features
GT28F320B3TA110 features: (1)Flexible SmartVoltage Technology: 2.7 V–3.6 V Read/Program/Erase, 12 V VPP Fast Production Programmin; (2)2.7 V or 1.65 V I/O Option:Reduces Overall System Power; (3)High Performance:2.7 V–3.6 V: 70 ns Max Access Time; (4)Optimized Block Sizes:Eight 8-KB Blocks for Data,Top or Bottom Locations, Up to One Hundred Twenty-Seven 64-KB Blocks for Code; (5)Block Locking:VCC-Level Control through WP#; (6)Low Power Consumption:9 mA Typical Read Current; (7)Absolute Hardware-Protection: VPP = GND Option, VCC Lockout Voltage; (8)Extended Temperature Operation:–40℃ to +85℃; (9)Automated Program and Block Erase:Status Registers.
Diagrams

| Image | Part No | Mfg | Description | ![]() |
Pricing (USD) |
Quantity | ||||||||||||||||
|---|---|---|---|---|---|---|---|---|---|---|---|---|---|---|---|---|---|---|---|---|---|---|
![]() GT28F320B3TA110 |
![]() |
![]() IC FLASH 32MBIT 110NS 47MBGA |
![]() Data Sheet |
![]()
|
|
|||||||||||||||||
| Image | Part No | Mfg | Description | ![]() |
Pricing (USD) |
Quantity | ||||||||||||||||
![]() |
![]() GT28F160B3BA90SB93 |
![]() |
![]() IC FLASH 16MBIT 90NS 46MBGA |
![]() Data Sheet |
![]() Negotiable |
|
||||||||||||||||
![]() GT28F160C3BA90SB93 |
![]() |
![]() IC FLASH 16MBIT 90NS 46MBGA |
![]() Data Sheet |
![]() Negotiable |
|
|||||||||||||||||
![]() GT28F160C3TA110 |
![]() |
![]() IC FLASH 16MBIT 110NS 46MBGA |
![]() Data Sheet |
![]()
|
|
|||||||||||||||||
![]() |
![]() GT28F160C3TA90SB93 |
![]() |
![]() IC FLASH 16MBIT 90NS 46MBGA |
![]() Data Sheet |
![]() Negotiable |
|
||||||||||||||||
![]() GT28F320B3BA100 |
![]() |
![]() IC FLASH 32MBIT 100NS 47MBGA |
![]() Data Sheet |
![]()
|
|
|||||||||||||||||
![]() GT28F320B3BA100SB93 |
![]() |
![]() IC FLASH 32MBIT 100NS 47MBGA |
![]() Data Sheet |
![]()
|
|
|||||||||||||||||
(China (Mainland))









