Product Summary
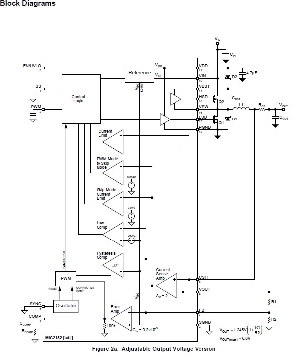
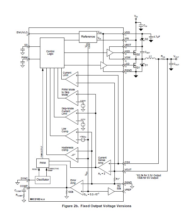
The MIC2182YSMTR is a kind of synchronous buck (step-down) switching regulator controller. It has an all N-channel synchronous architecture and powerful output drivers which allow up to a 20A output current capabilty. The device operates from a 4.5V to 32V input and can operate with a maximum duty cycle of 86% for use in lowdropout conditions. In addition, it achieves high efficiency over a wide output current range by automatically switching between PWM and skip mode. It is available in a 16-pin SOP (small-outline package) and SSOP (shrink small-outline package). The typical applications include: (1)DC power distribution systems; (2)Notebook and subnotebook computers; (3)PDAs and mobile communicators; (4)Wireless modems; (5)Battery-operated equipment.
Parametrics
Absolute maximum ratings: (1)Analog Supply Voltage (VIN): +34V; (2)Digital Supply Voltage (VDD): +7V; (3)Driver Supply Voltage (BST): VIN +7V; (4)Sense Voltage (VOUT, CSH): 7V to –0.3V; (5)Sync Pin Voltage (VSYNC): 7V to –0.3V; (6)Enable Pin Voltage (VEN/UVLO): VIN; (7)Power Dissipation (PD): SOP: 400mW @ TA= 85℃; SSOP: 270mW @ TA= 85℃; (8)Ambient Storage Temperature (TS): –65℃ to +150℃.
Features
Features: (1)4.5V to 32V Input voltage range; (2)1.25V to 6V Output voltage range; (3)95% efficiency; (4)300kHz oscillator frequency; (5)Current sense blanking; (6)5impedance MOSFET Drivers; (7)Drives N-channel MOSFETs; (8)600μA typical quiescent current (skip-mode); (9)Logic controlled micropower shutdown (IQ < 0.1μA); (10)Current-mode control; (11)Cycle-by-cycle current limiting; (12)Built-in undervoltage protection; (13)Adjustable undervoltage lockout; (14)Easily synchronizable; (15)Precision 1.245V reference output; (16)0.6% total regulation; (17)16-pin SOP and SSOP packages; (18)Frequency foldback overcurrent protection; (19)Sustained short-circuit protection at any input voltage; (20)20A output current capability.
Diagrams


![]() |
![]() MIC2003 |
![]() Other |
![]() |
![]() Data Sheet |
![]() Negotiable |
|
||||||||||||||
![]() |
![]() MIC2003/2013 |
![]() Other |
![]() |
![]() Data Sheet |
![]() Negotiable |
|
||||||||||||||
![]() |
![]() MIC2003-0.5YM5 |
![]() |
![]() IC DISTRIBUTION SW 0.5A SOT23-5 |
![]() Data Sheet |
![]() Negotiable |
|
||||||||||||||
![]() |
![]() MIC2003-0.5YM5 TR |
![]() |
![]() IC DISTRIBUTION SW 0.5A SOT23-5 |
![]() Data Sheet |
![]()
|
|
||||||||||||||
![]() |
![]() MIC2003-0.5YM5TX |
![]() |
![]() IC DISTRIBUTION SW 0.5A SOT23-5 |
![]() Data Sheet |
![]() Negotiable |
|
||||||||||||||
![]() |
![]() MIC2003-0.5YML TR |
![]() |
![]() IC DISTRIBUTION SW 0.5A 6-MLF |
![]() Data Sheet |
![]()
|
|
||||||||||||||
(China (Mainland))










